-22% на водонагреватели из нержавеющей стали объемом 500 литров
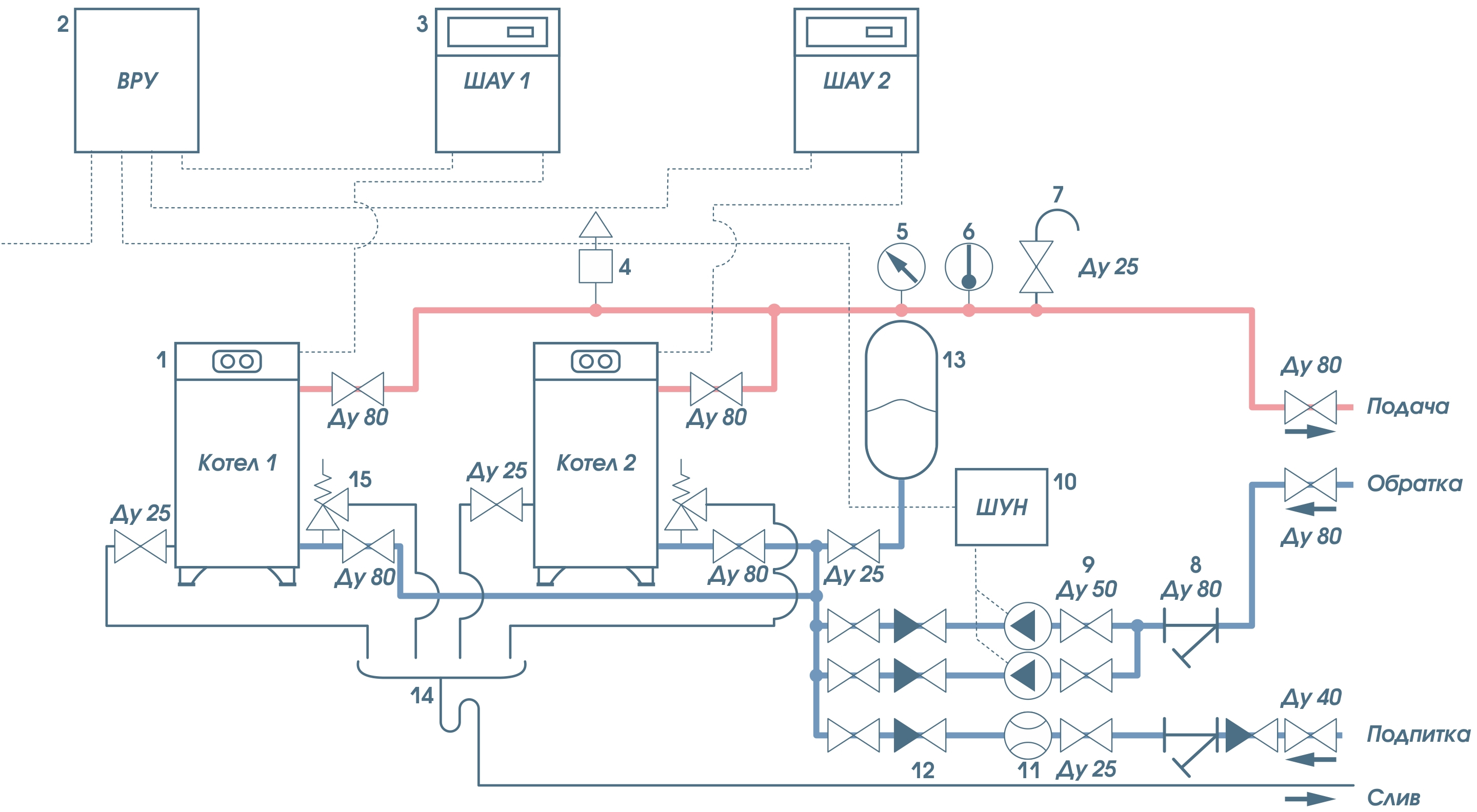
Промышленный электрокотел 550 кВт применяется для отопления больших производственных и общественных зданий. Шкаф автоматики и управления котла имеет встроенный погодозависимый контроллер и обеспечивает многоступенчатую защиту как каждого нагревательного элемента, так и всего котла в целом по всем возможным параметрам.
Основные преимущества электрических котлов 550 кВт:
•тройной контроль температуры теплоносителя
•двойной контроль давления теплоносителя
•тройной контроль наличия теплоносителя
•индивидуальная защита от короткого замыкания каждого ТЭНа
•контроль залипания контакторов
•наличие резервной системы управления
•погодозависимое управление.
•ПИД-регулирование с автоматическим выбором оптимального количество ступеней мощности.
•ротация нагревательных элементов
•возможность управления через шину RS 485
•обесточивание при снятии крышки котла
Гарантия производителя 18 месяцев
Декларация соответствия Таможенного союза
| ХАРАКТЕРИСТИКИ | ПОКАЗАТЕЛИ | ЕДИНИЦЫ ИЗМЕРЕНИЯ |
|---|---|---|
| Артикул | КЭН-П-40-550 | |
| Номинальная мощность, ±5% | 550 | кВт |
| Номинальное напряжение питания ±10% | 400 | В |
| Максимальное давление | 0,6 [6] | МПа [Bar] |
| Высота бака котла | 1510 | мм |
| Ширина бака котла | 870 | мм |
| Глубина бака котла | 930 | мм |
| Высота ШАУ | 2290 | мм |
| Ширина ШАУ | 1440 | мм |
| Глубина ШАУ | 335 | мм |
| Количество нагревательных групп | 12 групп | |
| Максимальная мощность одной группы | 100 | кВт |
| Диапазон регулирования температуры теплоносителя | 5 - 90 | ºC |
| Номинальный ток автоматического выключателя, при напряжении питания 400 В | 1250 | А |
| Требуемая площадь поперечного сечения медного провода подводящего кабеля, при напряжении питания 400 В | Шина 80х8 | мм² |
| Рекомендуемая отапливаемая площадь при высоте потолков не более 2,7м; t нар. -25°С | 5500 | м² |
| Объем бака | 500 | л |
| Масса | 660 | кг |
| Объем в упаковке. Котел + ШАУ | 4,5 | м³ |
Отопление необходимо для бесперебойной работы производств, функционирования учебных и медицинских учреждений, инфраструктурных объектов, а также для обеспечения теплом жилых зданий. Любые задачи отопления уже в течение многих лет успешно решают промышленные электрокотлы на 550 кВт, которые изготовляет и доставляет компания «Невский».
Мы предлагаем приобрести современное, высокотехнологичное оборудование для электрических котельных.
Преимущества промышленных электрокотлов «Невский» 550 кВт
Наши аппараты не только качественные, но и надежные — имеют несколько степеней защиты:
Нагрев за счет электрической энергии безопаснее, чем использование котлов на твердом или жидком топливе. При работе в атмосферу не выделяются угарный газ или дым. Поэтому не требуется обустройство дымохода, нет загрязнения продуктами сгорания.
В нашем оборудовании в качестве нагревательного элемента применяются нержавеющие ТЭНы на латунной гайке. Конструкция котлов обеспечивает легкий доступ к ним, что позволяет без особого труда проводить их техническое обслуживание или замену.
Купить электрокотел «Невский»
Звоните по номеру